Lorsque le contacteur CA est allumé, la bobine interne génère un champ magnétique, provoquant l'attraction du noyau de fer mobile et du noyau de fer fixe, conduisant le système de contact à contacter le contact fixe et à conduire le circuit. Une fois que la bobine perd de la puissance, la force d'aspiration disparaît et le ressort de réinitialisation poussera le noyau de fer mobile vers le haut, provoquant la séparation des contacts et la rupture du circuit.
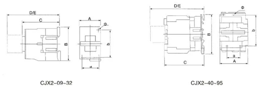
| Utilisé pour les contuncteurs ré09 ~ 95 | ||||||||
| MODÈLE | Un | B | C | D | E | a | b | F |
| J09~12 | 47 | 76 | 82 | 11 | 133 | 34/35 | 50/60 | 4.5 |
| J18 | 47 | 76 | 87 | 118 | 138 | 34/35 | 50/60 | 4.5 |
| J25 | 57 | 86 | 95 | 126 | 146 | 40 | 48 | 4.5 |
| D32 | 57 | 86 | 100 | 131 | 151 | 40 | 48 | 4.5 |
| D40~65 | 77 | 129 | 116 | 145 | 165 | 40 | 100/110 | 6.5 |
| D80~95 | 87 | 129 | 127 | 175 | 195 | 40 | 100/110 | 6.5 |
| Type de modèle | 9 | 12 | 18 | 25 | 32 | 40 | 50 | 65 | 80 | 95 | |
| Courant de fonctionnement nominal (A) | UnC3 | 9 | 12 | 18 | 25 | 32 | 40 | 50 | 65 | 80 | 95 |
| UnC4 | 3.5 | 5 | 7.7 | 8.5 | 12 | 18.5 | 24 | 28 | 37 | 44 | |
| Moteur triphasé UnC-3 level (kw) | 220/230V | 2.2 | 3 | 4 | 5.5 | 7.5 | 11 | 15 | 18.5 | 22 | 25 |
| 380/400V | 4 | 5.5 | 7.5 | 11 | 15 | 18.5 | 22 | 30 | 37 | 45 | |
| 415V | 4 | 5.5 | 9 | 11 | 15 | 22 | 25 | 37 | - | - | |
| 500V | 5.5 | 7.5 | 10 | 15 | 18.5 | 22 | 30 | 37 | - | - | |
| 660/690V | 5.5 | 7.5 | 10 | 15 | 18.5 | 30 | 33 | 37 | 45 | 45 | |
| Courant de chauffage nominalIth(A) | 20 | 20 | 30 | 32 | 40 | 50 | 60 | 80 | 125 | 125 | |
| Durée de vie électrique (10 000 cycles) | UnC3 | 100 | 100 | 100 | 100 | 80 | 80 | 60 | 60 | 60 | 60 |
| UnC4 | 20 | 20 | 20 | 20 | 20 | 15 | 15 | 15 | 10 | 10 | |
| Durée de vie mécanique (10 000 cycles) | 1000 | 1000 | 1000 | 1000 | 800 | 800 | 800 | 800 | 600 | 600 | |
| Modèle de contact | 3P NON | 3P NF NON | |||||||||
| Modèle | Courant nominal (A) | Contact principal | Unuxiliary contact | Puissance de charge monophasée (kW) | Puissance de charge triphasée (kW) |
| CJX2-0910 | 9A | 3NONNNNNNNNNNNNNNN | 1NONNNNN | 1,8 kW | 3,5 kW |
| CJX2-0901 | 9A | 3NONNNNNNNNNNNNNNN | 1NC | 1,8 kW | 3,5 kW |
| CJX2-1210 | 12A | 3NONNNNNNNNNNNNNNN | 1NONNNNN | 2,5KW | 5KW |
| CJX2-1201 | 12A | 3NONNNNNNNNNNNNNNN | 1NC | 2,5KW | 5KW |
| CJX2-1810 | 18A | 3NONNNNNNNNNNNNNNN | 1NONNNNN | 3,5 kW | 7,5 kW |
| CJX2-1801 | 18A | 3NONNNNNNNNNNNNNNN | 1NC | 3,5 kW | 7,5 kW |
| CJX2-2510 | 25A | 3NONNNNNNNNNNNNNNN | 1NONNNNN | 5KW | 8,5 kW |
| CJX2-2501 | 25A | 3NONNNNNNNNNNNNNNN | 1NC | 5KW | 8,5 kW |
| CJX2-3210 | 32A | 3NONNNNNNNNNNNNNNN | 1NONNNNN | 6KW | 12KW |
| CJX2-3201 | 32A | 3NONNNNNNNNNNNNNNN | 1NC | 6KW | 12KW |
| CJX2-4011 | 40A | 3NONNNNNNNNNNNNNNN | 1NONNNNN 1NC | 8KW | 18,5 kW |
| CJX2-5011 | 50A | 3NONNNNNNNNNNNNNNN | 1NONNNNN 1NC | 10KW | 24KW |
| CJX2-6511 | 65A | 3NONNNNNNNNNNNNNNN | 1NONNNNN 1NC | 12,5 kW | 28KW |
| CJX2-8011 | 80A | 3NONNNNNNNNNNNNNNN | 1NONNNNN 1NC | 15,5 kW | 37KW |
| CJX2-9511 | 95A | 3NONNNNNNNNNNNNNNN | 1NONNNNN 1NC | 18,5 kW | 44KW |

English
Français
Español
عربى
































