Principe de fonctionnement : Lorsque le courant traverse le transformateur électromagnétique, le transformateur de courant transmet le signal de courant à la carte de circuit imprimé, qui juge s'il s'agit d'un courant de défaut. Si c’est le cas, le mécanisme est directement déclenché.
Pour assurer la sécurité du transport, nos produits électriques sont exportés dans des caisses en bois renforcé. Les caisses subissent un traitement thermique et portent la marque ISPM-15, permettant un dédouanement rapide. La conception de la base surélevée facilite le fonctionnement du chariot élévateur, tandis que la fixation interne absorbant les chocs garantit que les produits arrivent intacts. Toutes les caisses extérieures sont clairement étiquetées et conformes aux normes logistiques internationales.
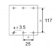
| Type | pôle | Dimensions extérieures | Dimensions d'instunllation (mm) | Dimensions de connexion du panneau arrière (mm) | |||||||||||
| L | L1 | W | H | H1 | H2 | a | b | ∅d | a1 | b1 | d1 | H3 | H4 | ||
| MTM1-63L | 3 | 135 | 21 | 76 | 89.5 | 72 | 18 | 25 | 117 | 3.5 | 25 | 117 | 18 | 52 | 75 |
| 4 | 103 | ||||||||||||||
| MTM1-63M | 3 | 76 | 99 | 81 | 28 | ||||||||||
| 4 | 103 | ||||||||||||||
| MTM1-125L | 2 | 150 | 51 | 65 | 87 | 68 | 24 | … | 129 | 4.5 | 30 | 132 | 22 | 65 | 100 |
| 3 | 92 | 30 | |||||||||||||
| 4 | 121 | … | |||||||||||||
| MTM1-125M,H | 2 | 65 | 103.5 | 85 | 23 | … | |||||||||
| 3 | 92 | 30 | |||||||||||||
| 4 | 121 | … | |||||||||||||
| MTM1-250L | 2 | 164 | 64 | 75 | 108 | 87 | 24 | … | 126 | 5.5 | 35 | 144 | 24 | 70 | 110 |
| 3 | 107 | 35 | |||||||||||||
| 4 | 142 | … | |||||||||||||
| MTM1-250M,H | 2 | 75 | 124.5 | 104 | 24 | … | |||||||||
| 3 | 107 | 35 | |||||||||||||
| 4 | 142 | … | |||||||||||||
| MTM1-400M,H | 3 | 257 | 105 | 150 | 153 | 106 | 38 | 44 | 194 | 7 | 48 | 224 | 32 | 48.5 | 108.5 |
| 4 | 197 | Gauche 44 Droite 50 | |||||||||||||
| MTM1-630M,H | 3 | 270 | 105 | 182 | 157 | 111 | 43 | 58 | 200 | 7 | 58 | 234 | 40 | 70 | 120 |
| 4 | 240 | ||||||||||||||
| MTM1-800M,H | 3 | 280 | 105 | 210 | 158 | 116 | 42 | 70 | 243 | 7 | 70 | 243 | 48 | 75 | 125 |
| 4 | 280 | ||||||||||||||
| Type | MTM1-63 | MTM1-125 | MTM1-250 | |||||
| lnmFrameInm(A) | 63 | 125 | 250 | |||||
| Courant nominal (A) | 10、16、20、25、32、40、50、63 | 16、20、25、32、40、50、63、80、100、125 | 100、125、140、160、180、200、225、250 | |||||
| Tension nominale Ue(V) | AC400 | AC400 | AC400 / AC690 | AC400 | AC400 | AC400 / AC690 | AC400 | |
| Tension d'isolement nominaleUi(V) | AC800 | AC800 | AC800 | |||||
| Nombre de pôles | 3、4 | 3、4 | 2、3、4 | 2、3、4 | 2、3、4 | 2、3、4 | 2、3、4 | 2、3、4 |
| IcukA) Court-circuit limite nominal niveau de capacité de rupture | L | M | S | L | M | S | L | M |
| IcukA) Court-circuit limite nominal capacité de rupture | 12 | 35 | 12 | 35 | 50 | 12 | 35 | 50 |
| Ics(kA) Capacité nominale de rupture de court-circuit | 6 | 22 | 6 | 22 | 35 | 6 | 22 | 35 |
| Limites nominalescircuit court capacité de rupture | 4500 | 3000 | 2500 | |||||
| Durée de vie de l'opération (cycle) | 8500 | 7000 | 6500 | |||||
| Distance d'arc (mm) | 0、< 50 | 0、< 50 | < 50 | |||||
| Dimensions | | | | |||||
| Taille de l'installation | | | | |||||

English




































